Yousung Powder Machine Co., Ltd > product > product information > AIR KNOCKER
 
 
HOME > product > product information > AIR KNOCKER
 
In pneumatic conveyance system Air Knocker is a very unique device to solve the problem of powder's sticking effect to Hopper, Silo and Cyclone etc. in transportation process.
 
How to work

- According to the characteristic of powder such sticking problem happens inevitably and then, Air Knocker is a very unique device/machine which works simple but solves the problem efficiently.

- Magnetic Piston equipped in Air Knocker gives shock (6~8 times per a min) to Hopper so it makes the flow of materials easy, the principle is knocking the outside of Hopper.
Namely compressed air blow hit the magnetic piston and down part of piston knocks the outside of Hopper..Such function prevent the cohesion and bridge rat hole phenomenon.

 
 
 
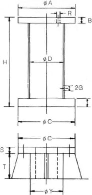
Selection of Machine/s
- As above diagram the capacity & units required are decided by diameter or diagonal (D) & thickness of steel (T) of Cone part on the basis of 60 repose angle of Hopper.

Ex) In case 1500Dia & 3T(mm) Hopper 6D°, 2sets are recommendable. However it can be adjusted a little according to the shape of Hopper and characteristic of materials in flow.
 
DIMENSIONS [unit : mm]
MODEL φA B φC φD E H S T φT R" G"
YAK-4D 95 12 95 10 12 164 9 60 34.1 1/8 1/8
YAK-5D 138 12 138 50 12 194 9 65 50.8 1/8 1/8
YAK-6D 138 14 138 60 14 208 14 65 50.8 1/8 1/4
YAK-8D 148 14 148 80 14 250 14 70 60.5 1/8 3/8
YAK-10D 208 16 208 100 16 312 16 75 76.3 1/4 1/2
 

used pressure air consumption shok power weight
YAK-4D 2.5 ~ 5 kg/㎤ 0.08 ℓ/time 2.15 kg/(㎧) 4.5 kg
YAK-5D 2.5 ~ 5 kg/㎤ 0.16 ℓ/time

5.2 kg/(㎧)

10.2 kg

YAK-6D 3.0 ~ 5 kg/㎤ 0.22 ℓ/time 7.4 kg/(㎧) 13 kg
YAK-8D 3.0 ~ 5 kg/㎤ 0.45 ℓ/time 16.4 kg/(㎧) 19 kg
YAK-10D 4.5 ~ 5 kg/㎤ 1.01 ℓ/time 30.0 kg/(㎧) 37.5 kg
E-mail: ypm1994@naver.com   113, Jeongoksandan 11-gil, Seosin-myeon, Hwaseong-si, Gyeonggi-do (18554)
Yousung Powder Machine Co., Ltd    Tel: +81-31-314-8433    Fax: +81-31-356-8322