유성분체기계주식회사 > 제품소개 > 제품설명 > 에어노커
 
 
HOME > 제품소개 > 제품설명 > 에어노커
 
Air knocker의 작동원리
Air knocker는 분체공정 중 Hopper, silo, cyclone등에 나타나는 분체 특유의 부착등 Trouble을 해소하기위한 기기로 간편하고 완전한 효과를 보여주는 독특한 기기입니다. Air knocker는 축척된 압축공기의 순간적 방출에 의한 Magnetic Pist on이 하부 피스톤을 충격하여 (보통 1분에 6~8회) 그 충격력이 Hopper, silo 등에 전달되어 분체의 부착 또는 브릿지 현상등을 방지하는 탁월한 성력화 기기입니다.
 
 
기기의 선정
그림과 같이 Hopper의 안식각을 60°로 기준하여 직경 또는 대각선(D)과 CONE부분의 철판두께(T)에 의해 기종과 댓수가 결정됩니다.

예) 1500 Dia에3T인 Hopper일 경우 도표와 같이 6D, 2Set를 선정합니다.
예) 단, Hopper등의 형상, 분체의물성 상태등에 의해 다소 다를수도 있습니다.
 
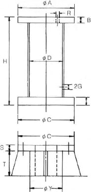
DIMENSIONS [ 단위(mm) ]
MODEL φA B φC φD E H S T φT R" G"
YAK-4D 95 12 95 10 12 164 9 60 34.1 1/8 1/8
YAK-5D 138 12 138 50 12 194 9 65 50.8 1/8 1/8
YAK-6D 138 14 138 60 14 208 14 65 50.8 1/8 1/4
YAK-8D 148 14 148 80 14 250 14 70 60.5 1/8 3/8
YAK-10D 208 16 208 100 16 312 16 75 76.3 1/4 1/2
 

사용압력 공기소비량 충격력 중 량
YAK-4D 2.5 ~ 5 kg/㎤ 0.08 ℓ/회 2.15 kg/(㎧) 4.5 kg
YAK-5D 2.5 ~ 5 kg/㎤ 0.16 ℓ/회

5.2 kg/(㎧)

10.2 kg

YAK-6D 3.0 ~ 5 kg/㎤ 0.22 ℓ/회 7.4 kg/(㎧) 13 kg
YAK-8D 3.0 ~ 5 kg/㎤ 0.45 ℓ/회 16.4 kg/(㎧) 19 kg
YAK-10D 4.5 ~ 5 kg/㎤ 1.01 ℓ/회 30.0 kg/(㎧) 37.5 kg
E-mail : ypm1994@naver.com  |  대표전화 : 1522-0018  |  팩스 : 031-356-8322
회사명: 유성분체기계주식회사  |  사업자등록번호: 134-86-06131  |  (18554) 경기도 화성시 서신면 전곡산단11길 113